PSTB 16 - 125A

Phoenix EMS Robust range of field isolators are purpose-built for mining and heavy industrial environments, Built from 316 stainless steel with fully welded doors and polyurethane gasket sealing, it oers superior corrosion resistance and weather protection.

safe operation, and long service life. With 16A - 125A current rating options, IP66 protection and flexible 3- or 4-pole configurations, our Field Isolators provide a robust, ready-toinstall solution that can also be customised for site-specific needs.


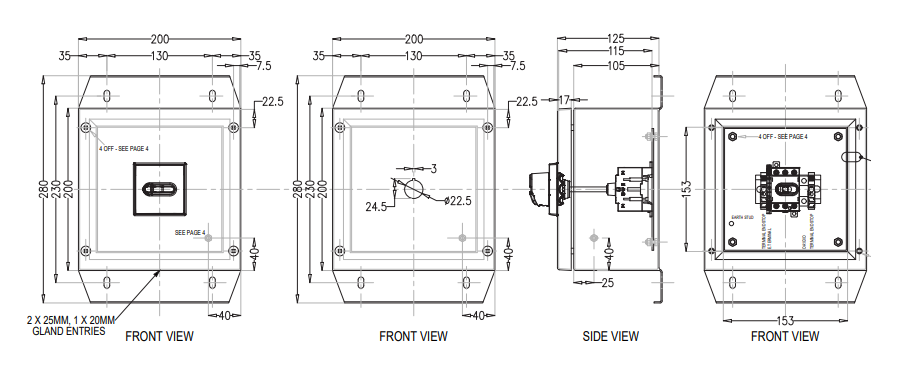
DIMENSIONS 16 - 80A

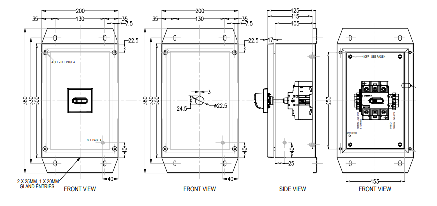
DIMENSIONS 100 - 125A

 
SPECIFICATION / MODEL PSTB16AXP PSTB25AXP PSTB40AXP PSTB63AXP PSTB80AXP PSTB100AXP PSTB125AXP
CURRENT RATING (A) 16A 25A 40A 63A 80A 100A 125A
VOLTAGE RATING 690V AC
OPERATIONAL CATEGORY AC-21 / AC-23
POLE CONFIGURATION 3-POLE / 4-POLE
STANDARD EQUIPMENT INCLUDED YES
SHAFT (OXS6X85)
HANDLE (OHYS2AJ)
AUXILIARY CONTACT (OA1G01)
ENCLOSURE PSTB272212
EARTH TERMINAL (WPE2.5)
END STOP (EW35)
INGRESS PROTECTION IP66
ENCLOSURE MATERIAL Stainless Steel 316
AMBIENT OPERATING TEMP. -40°C to +70°C
CABLE ENTRY OPTIONS Top / bottom / side
CABLE SIZE RANGE 1.5–6mm² 2.5–10mm² 4–16mm² 6–25mm² 10–35mm² 16–50mm² 25–70mm²
AUXILIARY CONTACTS (OPTIONAL) 1NO/1NC
HANDLE TYPE LOCKABLE PADLOCK HANDLE HEAVY-DUTY LOCKABLE INDUSTRIAL METAL HANDLE
TYPICAL APPLICATIONS SMALL MOTORS, LIGHTING CIRCUITS PUMPS, SMALL MACHINERY MOTORS, CONVEYORS LARGER MOTORS, HVAC PROCESSING EQUIPMENT HEAVY INDUSTRIAL EQUIPMENT MINING PLANT, LARGE DRIVES

Download brochure

PSTB 16 - 125A (pdf)

REWATECHNO

REWA TECHNO provides web, mobile, and software development solutions ranging from analytics and consulting to delivery and launch. We react as a technical partner for enterprises and startups, taking responsibility for product development. Our experts deliver market-driven solutions and ensure a smooth and efficient workflow.

https://www.rewatechno.com
Previous
Previous

PSSRTB 16 - 125A

Next
Next

PEMSEAS AC ISOLATOR 690V 20 - 80A