PEMS-F1DF-XXXAXPRB
This enclosure features a fully welded 1.5mm 316 stainless steel body and door with weld stains removed, providing exceptional strength and corrosion resistance. Rated IP66 to AS 60529, it maintains IP2X protection with doors open, keeping internal components safe from dust and water ingress.
The 2mm mild steel mounting pan and top-hat stands are gloss white painted and secured with stainless steel fasteners. Door-mounted cable looms in black nylon cable sock keep wiring neat, while clearly labelled terminals (except earths) and standardised wire colours make installation straightforward.
Engineered for compliance, ease of maintenance, and long-term performance, it’s the dependable choice for ensuring electrical safety and operational eciency on-site.
TYPICAL APPLICATIONS
Coal & Metalliferous Mines, Process Plants, Quarries, Local motor isolation, Shutdown and emergency stop points, Lighting and auxiliary circuits, Fixed plant and process equipment, Transfer and load-out areas, Workshops and maintenance bays. Outdoor or wash down zones, Custom engineered systems.
| MODEL | Local Control Station TYPE F1 | |
|---|---|---|
| PART NUMBER | UNITS | PEMS-F1DF-XXXAXPRB |
| CONSTRUCTION | ||
| CONSTRUCTION DETAILS | - | Enclosure body & door 1.5mm 316 stainless steel construction |
| RATED FOR HAZARDOUS AREA (IF APPLICABLE) | Yes/No | No |
| COLOUR/FINISH | - | N4 |
| IP RATING | - | IP66 |
| GEAR TRAY MATERIAL | - | 2mm Mild steel Powder coated to Gloss white |
| TOTAL WEIGHT | kg | 70kg |
| COLOUR OR FINISH | ||
| EXTERNAL | - | N4 |
| INTERNAL | - | N4 |
| DOORS AND FITTINGS | ||
| SEAL TYPE | - | Polyurethane Gasket Foam and Poured in Place |
| LOCKING MECHANISM | - | Stainless Steel 8mm Square Drive Spanner Lock |
| HINGE | - | Stainless steel Hinges |
| CONTROL SIDE DOOR WIDTH | mm | 300mm |
| CONTROL SIDE DOOR HEIGHT | mm | 1200mm |
| LCS SIDE DOOR WIDTH | mm | 700mm |
| LCS SIDE DOOR HEIGHT | mm | 1200mm |
| OVERALL HEIGHT | mm | 1576mm |
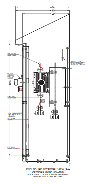
| DEPTH INCLUDING SLOPED ROOF OVERHANG | mm | 464mm |
| NO LOCK POINTS | Nos | 3 |
| INTERNAL DOOR | - | NIL |
| NO. OF DOORS | - | 2 |
| GLAND PLATE | ||
| MATERIAL | - | Aluminium |
| MATERIAL (OPTIONAL) | - | Brass |
| CONTROL SIDE DIMENSIONS | mm (L×W) | 296 x 358mm |
| LCS SIDE DIMENSIONS | mm (L×W) | 696 x 358mm |
| GLAND PLATE THICKNESS | mm | 6mm |
| VIEWING WINDOW | ||
| TYPE/MODEL NUMBER | - | Double Window/PEMSF13PWFC |
| DIMENSIONS | mm (W×H) | 2x 146 x 120mm |
| WINDOW THICKNESS | mm | 5.4mm |
| WINDOW MATERIAL | - | Safety Laminated Glass |
| SPLASH COVER MATERIAL | - | 316 Stainless Steel Cover and Sping Loaded Hinge |
| ISOLATORS | ||
| MAKE | - | ABB OT SERIES |
| KW RANGE | kW | <710kW |
| WEIGHT | kg | 19kg |
| MODEL | - | OT1250E22 |
| RATED CURRENT | Amps | 1250A |
| ISOLATOR HANDLE LOCATION | - | Front (FH Series Phoenix EMS Stainless Steel Front Mount Operation) |
| ISOLATOR HANDLE PART NUMBER | - | FH 40 |
| FAULT RATING | kA | 50kA |
| CONTACT ILLUMINATION | ||
| TECHNOLOGY | eg. LED | Phoenix EMS PLI-LEDTL Series |
| VOLTAGE | eg. 24VDC | 24Vdc |
| POWER | eg. 2W | 3W |
| HANDLE ORIENTATION | ||
| OFF POSITION | Horizontal/ Vertical | Horizontal |
| ON POSITION | Horizontal/ Vertical | Vertical |
| MAX POWER CABLE CONNECTION | ||
| MAX POWER CABLE CONNECTION | mm.Sq | 4x240mm.Sq |
| PUSHBUTTONS & TERMINALS | ||
| PUSH BUTTONS | - | Schneider/Allen Bradley/ SPRECHER + SCHUH |
| EMERGENCY STOPS | - | Schneider/Allen Bradley/ SPRECHER + SCHUH |
| SELECTOR SWITCHES | - | Schneider/Allen Bradley/ SPRECHER + SCHUH |
| TERMINALS | - | Weidmuller or Phoenix Contact |
| LABELS | ||
| MATERIAL | - | 1mm, 316 Stainless steel, Laser Etched |
| FIXING | - | M3 stainless steel screws |
| EARTHING | ||
| DOORS EARTHED | Yes/No | Yes |
| GLAND PLATE EARTHED | Yes/No | Yes |
| EARTH BAR | ||
| SIZE | mm | 30 x 6mm |
| NO. OF HOLES | Nos | 12 |
| MAXIMUM CABLE SIZE | - | All Phoenix EMS Isolators are designed in accordance to cable schedule |
| TESTING | ||
| RESISTANCE TO CORROSION | - | COMPLIANT (TEST REPORT CE3438A & CE3438B) |
| RESISTANCE TO ULTRA-VIOLET RADIATION(UV) | - | COMPLIANT (TEST REPORT CE3438C & CE3438D) |
| MECHANICAL IMPACT | - | COMPLIANT (TEST REPORT CE3438A & CE3438B) |
| DEGREE OF PROTECTION OF ENCLOSURE TO AS 60529 | - | COMPLIANT - IP66 (TEST REPORT 0217EXC-ECS-AS60529) |
| SHORT-CIRCUIT WITHSTAND STRENGTH AS 61439 | - | NIL |
| ARC FAULT CONTAINMENT | - | NIL |