SPECIFICATIONS

  • Heavy-duty front-mount handle engineered for demanding environments.

  • Reinforced locking tongue mechanism provides superior mechanical strength.

  • Stainless steel body with upgraded drive shafts for long service life.

  • Non-spring mechanical action for repeatable performance.

  • IP66-rated for complete protection against moisture and dust ingress.

  • Mechanically interlocked for added operator safety.


Download

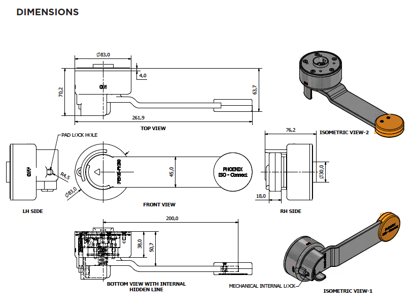
PEMS-FH30

Previous
Previous

PEMS-FH20

Next
Next

PEMS FH40