PEMS-C1SS-XXXAXPRB
The Phoenix EMS Fully Welded LCS provides robust, secure electrical control and termination for industrial and mining applications. Its 316 stainless steel body with IP66 protection and concealed hinges ensures longlasting durability, while internal mounting pans, top-hat stands, and cable management simplify installation and maintenance.
Clear, labelled terminals, colour-coded wiring, and fully earthed doors and gland plates support safe operation and ecient commissioning. Ideal for medium- and low-voltage control, local power distribution, and termination tasks. Engineered for compliance, ease of maintenance, and long-term performance, it’s the dependable choice for ensuring electrical safety and operational eciency on-site.
TYPICAL APPLICATIONS
Coal & Metalliferous Mines, Process Plants, Quarries, Local motor isolation, Shutdown and emergency stop points, Lighting and auxiliary circuits, Fixed plant and process equipment, Transfer and load-out areas, Workshops and maintenance bays. Outdoor or wash down zones, Custom engineered systems.
| MODEL | TYPE C1 | |
|---|---|---|
| PART NUMBER | UNITS | PEMS-C1SS-XXX-AXPRB |
| CONSTRUCTION | ||
| CONSTRUCTION DETAILS | - | Enclosure body & door 1.5mm 316 stainless steel construction |
| RATED FOR HAZARDOUS AREA (IF APPLICABLE) | Yes/No | No |
| COLOUR/FINISH | - | N4 |
| IP RATING | - | IP66 |
| GEAR TRAY MATERIAL | - | 2mm Mild steel Powder coated to Gloss white |
| TOTAL WEIGHT | kg | 34.5kg |
| COLOUR OR FINISH | ||
| EXTERNAL | - | N4 |
| INTERNAL | - | N4 |
| DOORS AND FITTINGS | ||
| SEAL TYPE | - | Polyurethane Gasket Foam and Poured in Place |
| LOCKING MECHANISM | - | Stainless Steel 8mm Square Drive Spanner Lock |
| HINGE | - | Stainless steel Hinges |
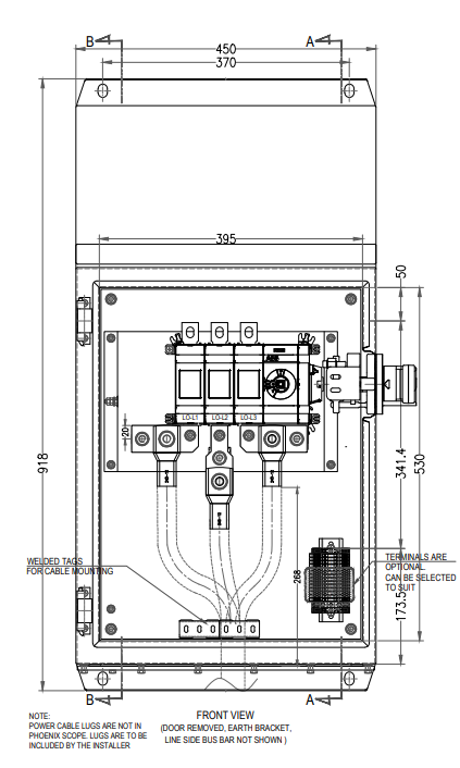
| DOOR WIDTH | mm | 450mm |
| DOOR HEIGHT | mm | 595mm |
| OVERALL HEIGHT | mm | 918mm |
| DEPTH INCLUDING SLOPED ROOF OVERHANG | mm | 364mm |
| NO LOCK POINTS | Nos | 2 |
| INTERNAL DOOR | - | NIL |
| NO. OF DOORS | - | 1 |
| GLAND PLATE | ||
| MATERIAL | - | Aluminium |
| MATERIAL (OPTIONAL) | - | Brass |
| DIMENSIONS | mm (L×W) | 446 x 258mm |
| GLAND PLATE THICKNESS | mm | 6mm |
| VIEWING WINDOW | ||
| TYPE/MODEL NUMBER | - | PEMSC13PWFC |
| DIMENSIONS | mm (W×H) | 185 x 70mm |
| WINDOW THICKNESS | mm | 5.4mm |
| WINDOW MATERIAL | - | Safety Laminated Glass |
| SPLASH COVER MATERIAL | - | 316 Stainless Steel Cover and Sping Loaded Hinge |
| ISOLATORS | ||
| MAKE | - | ABB OT SERIES |
| KW RANGE | kW | <200kW |
| WEIGHT | kg | 3.9kg |
| MODEL | - | OT400ES30/OT400ES40 |
| RATED CURRENT | Amps | 400A |
| ISOLATOR HANDLE LOCATION | - | Side (SH Series Phoenix EMS Stainless Steel Side Mount Operation) |
| ISOLATOR HANDLE PART NUMBER | - | SH 30 |
| FAULT RATING | kA | 15kA |
| CONTACT ILLUMINATION | ||
| TECHNOLOGY | eg. LED | Phoenix EMS PLI-LEDTL Series |
| VOLTAGE | eg. 24VDC | 24Vdc |
| POWER | eg. 2W | 3W |
| HANDLE ORIENTATION | ||
| OFF POSITION | Horizontal/ Vertical | Horizontal |
| ON POSITION | Horizontal/ Vertical | Vertical |
| MAX POWER CABLE CONNECTION | ||
| MAX POWER CABLE CONNECTION | mm.Sq | 240mm.Sq |
| PUSHBUTTONS & TERMINALS | ||
| PUSH BUTTONS | - | Schneider ZB4 Series |
| EMERGENCY STOPS | - | Schneider ZB4 Series |
| SELECTOR SWITCHES | - | Not included |
| TERMINALS | - | Weidmuller WDU Series |
| LABELS | ||
| MATERIAL | - | 1mm, 316 Stainless steel, Laser Etched |
| FIXING | - | M3 stainless steel screws |
| EARTHING | ||
| DOORS EARTHED | Yes/No | Yes |
| GLAND PLATE EARTHED | Yes/No | Yes |
| EARTH BAR | ||
| SIZE | mm | 25 x 6mm |
| NO. OF HOLES | Nos | 9 |
| MAXIMUM CABLE SIZE | - | All Phoenix EMS Isolators are designed in accordance to cable schedule |
| TESTING AND COMPLIANCE | ||
| RESISTANCE TO CORROSION | - | COMPLIANT (TEST REPORT CE3438A & CE3438B) |
| RESISTANCE TO ULTRA-VIOLET RADIATION(UV) | - | COMPLIANT (TEST REPORT CE3438C & CE3438D) |
| MECHANICAL IMPACT | - | COMPLIANT (TEST REPORT CE3438A & CE3438B) |
| DEGREE OF PROTECTION OF ENCLOSURE TO AS 60529 | - | COMPLIANT - IP66 (TEST REPORT 0217EXC-ECS-AS60529) |
| SHORT-CIRCUIT WITHSTAND STRENGTH AS 61439 | - | COMPLIANT (TEST REPORT - AU245C8J 001) |
| ARC FAULT CONTAINMENT | - | NIL |