PEMS-AAA1SS-XXXAXS
Designed for reliability in harsh environments, the Phoenix EMS Single Door LCS with side-mounted Visible Break Isolator delivers safe, visible, and accessible power isolation for mining and industrial operations. Its robust stainless steel construction and IP66 rating make it ideal for outdoor or wash down areas where durability and operator safety are critical.
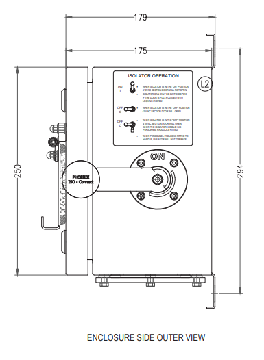
The clear viewing window ensures unmistakable visual confirmation of isolation, while the side-mounted handle provides ergonomic access for switching and lockout procedures. Suited to local motor isolation, shutdown points, and maintenance areas, this LCS integrates seamlessly into control and power distribution systems
Engineered for compliance, ease of maintenance, and long-term performance, it’s the dependable choice for ensuring electrical safety and operational eciency on-site.
TYPICAL APPLICATIONS
Coal & Metalliferous Mines, Process Plants, Quarries, Local motor isolation, Shutdown and emergency stop points, Lighting and auxiliary circuits, Fixed plant and process equipment, Transfer and load-out areas, Workshops and maintenance bays. Outdoor or wash down zones, Custom engineered systems.
| MODEL | TYPE AAA1 | |
|---|---|---|
| PART NUMBER | UNITS | PEMS-AAA1SS-XXXAXS |
| CONSTRUCTION | ||
| CONSTRUCTION DETAILS | - | Enclosure body & door 1.5mm 316 stainless steel construction |
| RATED FOR HAZARDOUS AREA (IF APPLICABLE) | Yes/No | No |
| COLOUR/FINISH | - | N4 |
| IP RATING | - | IP66 |
| GEAR TRAY MATERIAL | - | 2mm Mild steel Powder coated to Gloss white |
| TOTAL WEIGHT | kg | 13kg |
| COLOUR OR FINISH | ||
| EXTERNAL | - | N4 |
| INTERNAL | - | N4 |
| DOORS AND FITTINGS | ||
| SEAL TYPE | - | Polyurethane Gasket Foam and Poured in Place |
| LOCKING MECHANISM | - | Stainless Steel 8mm Square Drive Spanner Lock |
| HINGE | - | Stainless steel Hinges |
| DOOR WIDTH | mm | 225mm |
| DOOR HEIGHT | mm | 245mm |
| OVERALL HEIGHT | mm | 495mm |
| DEPTH INCLUDING SLOPED ROOF OVERHANG | mm | 239mm |
| NO LOCK POINTS | Nos | 2 |
| INTERNAL DOOR | - | NIL |
| NO. OF DOORS | - | 1 |
| GLAND PLATE | ||
| MATERIAL | - | Aluminium |
| MATERIAL (OPTIONAL) | - | Brass |
| DIMENSIONS | mm (L×W) | 221 x 131 mm |
| GLAND PLATE THICKNESS | mm | 6mm |
| VIEWING WINDOW | ||
| TYPE/MODEL NUMBER | - | PEMSAAA13PWFC |
| DIMENSIONS | mm (W×H) | 98 x 50mm |
| WINDOW THICKNESS | mm | 5.4mm |
| WINDOW MATERIAL | - | Safety Laminated Glass |
| SPLASH COVER MATERIAL | - | 316 Stainless Steel Cover and Sping Loaded Hinge |
| ISOLATORS | ||
| MAKE | - | LEGRAND VISITOP SERIES |
| KW RANGE | kW | < 22kW |
| WEIGHT | kg | 1kg |
| MODEL | - | 22516 |
| RATED CURRENT | Amps | 63A |
| ISOLATOR HANDLE LOCATION | - | Side (SH Series Phoenix EMS Stainless Steel Side Mount Operation) |
| ISOLATOR HANDLE PART NUMBER | - | SH 10 |
| FAULT RATING | kA | |
| CONTACT ILLUMINATION | ||
| TECHNOLOGY | eg. LED | NIL |
| VOLTAGE | eg. 24VDC | NIL |
| POWER | eg. 2W | NIL |
| HANDLE ORIENTATION | ||
| OFF POSITION | Horizontal/ Vertical | Horizontal |
| ON POSITION | Horizontal/ Vertical | Vertical |
| MAX POWER CABLE CONNECTION | ||
| MAX POWER CABLE CONNECTION | mm.Sq | 16mm.Sq |
| PUSHBUTTONS & TERMINALS | ||
| PUSH BUTTONS | - | NIL |
| EMERGENCY STOPS | - | NIL |
| SELECTOR SWITCHES | - | NIL |
| TERMINALS | - | Weidmuller AKZ Series |
| LABELS | ||
| MATERIAL | - | 1mm, 316 Stainless steel, Laser Etched |
| FIXING | - | M3 stainless steel screws |
| EARTHING | ||
| DOORS EARTHED | Yes/No | Yes |
| GLAND PLATE EARTHED | Yes/No | Yes |
| EARTH BAR | ||
| SIZE | mm | 25 x 6mm |
| NO. OF HOLES | Nos | 5 |
| MAXIMUM CABLE SIZE | - | All Phoenix EMS Isolators are designed in accordance to cable schedule |
| TESTING AND COMPLIANCE | ||
| RESISTANCE TO CORROSION | - | COMPLIANT (TEST REPORT CE3438A & CE3438B) |
| RESISTANCE TO ULTRA-VIOLET RADIATION(UV) | - | COMPLIANT (TEST REPORT CE3438C & CE3438D) |
| MECHANICAL IMPACT | - | COMPLIANT (TEST REPORT CE3438A & CE3438B) |
| DEGREE OF PROTECTION OF ENCLOSURE TO AS 60529 | - | COMPLIANT - IP66 (TEST REPORT O217EXC-ECS-AS60529) |
| SHORT-CIRCUIT WITHSTAND STRENGTH AS 61439 | - | NIL |
| ARC FAULT CONTAINMENT | - | NIL |