PEMS-A1DS-XXXAXP
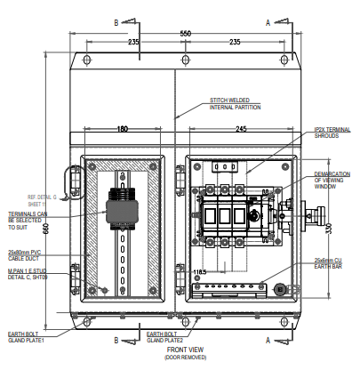
The Phoenix EMS Fully Welded LCS provides secure and durable electrical control and termination for industrial and mining environments. Its 316 stainless steel construction with IP66 protection, concealed hinges, and fully earthed doors and gland plates ensures long-term reliability and operator safety.
With internal mounting pans, top-hat stands, and cable management, installation and maintenance are simplified, while numbered terminals and colour-coded wiring support safe commissioning and troubleshooting. Ideal for medium- and low-voltage distribution and local control applications.
Engineered for compliance, ease of maintenance, and long-term performance, it’s the dependable choice for ensuring electrical safety and operational eciency on-site.
TYPICAL APPLICATIONS
Coal & Metalliferous Mines, Process Plants, Quarries, Local motor isolation, Shutdown and emergency stop points, Lighting and auxiliary circuits, Fixed plant and process equipment, Transfer and load-out areas, Workshops and maintenance bays. Outdoor or wash down zones, Custom engineered systems.
| MODEL | TYPE A1 | |
|---|---|---|
| PART NUMBER | UNITS | PEMS-A1DS-XXXAXP |
| CONSTRUCTION | ||
| CONSTRUCTION DETAILS | - | Enclosure body & door 1.5mm 316 stainless steel construction |
| RATED FOR HAZARDOUS AREA (IF APPLICABLE) | Yes/No | No |
| COLOUR/FINISH | - | N4 |
| IP RATING | - | IP66 |
| GEAR TRAY MATERIAL | - | 2mm Mild steel Powder coated to Gloss white |
| TOTAL WEIGHT | kg | 25kg |
| COLOUR OR FINISH | ||
| EXTERNAL | - | N4 |
| INTERNAL | - | N4 |
| DOORS AND FITTINGS | ||
| SEAL TYPE | - | Polyurethane Gasket Foam and Poured in Place |
| LOCKING MECHANISM | - | Stainless Steel 8mm Square Drive Spanner Lock |
| HINGE | - | Stainless steel Hinges |
| CONTROL DOOR WIDTH | mm | 235MM |
| CONTROL DOOR HEIGHT | mm | 395MM |
| LCS DOOR WIDTH | mm | 300mm |
| LCS DOOR HEIGHT | mm | 395mm |
| OVERALL HEIGHT | mm | 660mm |
| DEPTH INCLUDING SLOPED ROOF OVERHANG | mm | 264mm |
| NO LOCK POINTS | Nos | 2 |
| INTERNAL DOOR | - | NIL |
| NO. OF DOORS | - | 2 |
| GLAND PLATE | ||
| MATERIAL | - | Aluminium |
| MATERIAL (OPTIONAL) | - | Brass |
| DIMENSIONS | mm (L×W) | 196 x 131mm |
| GLAND PLATE THICKNESS | mm | 6mm |
| VIEWING WINDOW | ||
| TYPE/MODEL NUMBER | - | PEMSA13PWFC |
| DIMENSIONS | mm (W×H) | 113 x 70mm |
| WINDOW THICKNESS | mm | 5.4mm |
| WINDOW MATERIAL | - | Safety Laminated Glass |
| SPLASH COVER MATERIAL | - | 316 Stainless Steel Cover and Sping Loaded Hinge |
| ISOLATORS | ||
| MAKE | - | ABB OT SERIES |
| KW RANGE | kW | < 75kW |
| WEIGHT | kg | 0.36kg |
| MODEL | - | OT200ES30/OT250ES30 |
| RATED CURRENT | Amps | 200A/250A |
| ISOLATOR HANDLE LOCATION | - | Side (SH Series Phoenix EMS Stainless Steel Side Mount Operation) |
| ISOLATOR HANDLE PART NUMBER | - | SH10 |
| FAULT RATING | kA | 8kA |
| CONTACT ILLUMINATION | ||
| TECHNOLOGY | eg. LED | Phoenix EMS PLI-LEDTL Series |
| VOLTAGE | eg. 24VDC | 24Vdc |
| POWER | eg. 2W | 3W |
| HANDLE ORIENTATION | ||
| OFF POSITION | Horizontal/ Vertical | Horizontal |
| ON POSITION | Horizontal/ Vertical | Vertical |
| MAX POWER CABLE CONNECTION | ||
| MAX POWER CABLE CONNECTION | mm.Sq | 50mm.Sq |
| PUSHBUTTONS & TERMINALS | ||
| PUSH BUTTONS | - | Schneider/Allen Bradley/SPRECHER + SCHUH |
| EMERGENCY STOPS | - | Schneider/Allen Bradley/SPRECHER + SCHUH |
| SELECTOR SWITCHES | - | Schneider/Allen Bradley/SPRECHER + SCHUH |
| TERMINALS | - | Weidmuller WDU Series |
| LABELS | ||
| MATERIAL | - | 1mm stainless steel, laser Etched |
| FIXING | - | M3 Stainless Steel Screws |
| EARTHING | ||
| DOORS EARTHED | Yes/No | Yes |
| GLAND PLATE EARTHED | Yes/No | Yes |
| EARTH BAR | ||
| SIZE | mm | 25 x 6mm |
| NO. OF HOLES | Nos | 6 |
| MAXIMUM CABLE SIZE | - | All Phoenix EMS Isolators are designed in accordance to cable schedule |
| TESTING AND COMPLIANCE | ||
| RESISTANCE TO CORROSION | - | COMPLIANT (TEST REPORT CE3438A & CE3438B) |
| RESISTANCE TO ULTRA-VIOLET RADIATION(UV) | - | COMPLIANT (TEST REPORT CE3438C & CE3438D) |
| MECHANICAL IMPACT | - | COMPLIANT (TEST REPORT CE3438A & CE3438B) |
| DEGREE OF PROTECTION OF ENCLOSURE TO AS 60529 | - | COMPLIANT - IP66 (TEST REPORT 0217EXC-ECS-AS60529) |
| SHORT-CIRCUIT WITHSTAND STRENGTH AS 61439 | - | NIL |
| ARC FAULT CONTAINMENT | - | NIL |